CNKCL系列隔离开关(以下简称开关),其额定工作电压 为交流400V,额定频率5Hz,额定工作电流从125至1600,具有3极、4极(三极十可通断中性极)开关可选用,主要用于低压 成套配电装置中,作为不频繁切换电路的接通和分断或电气隔离之用。
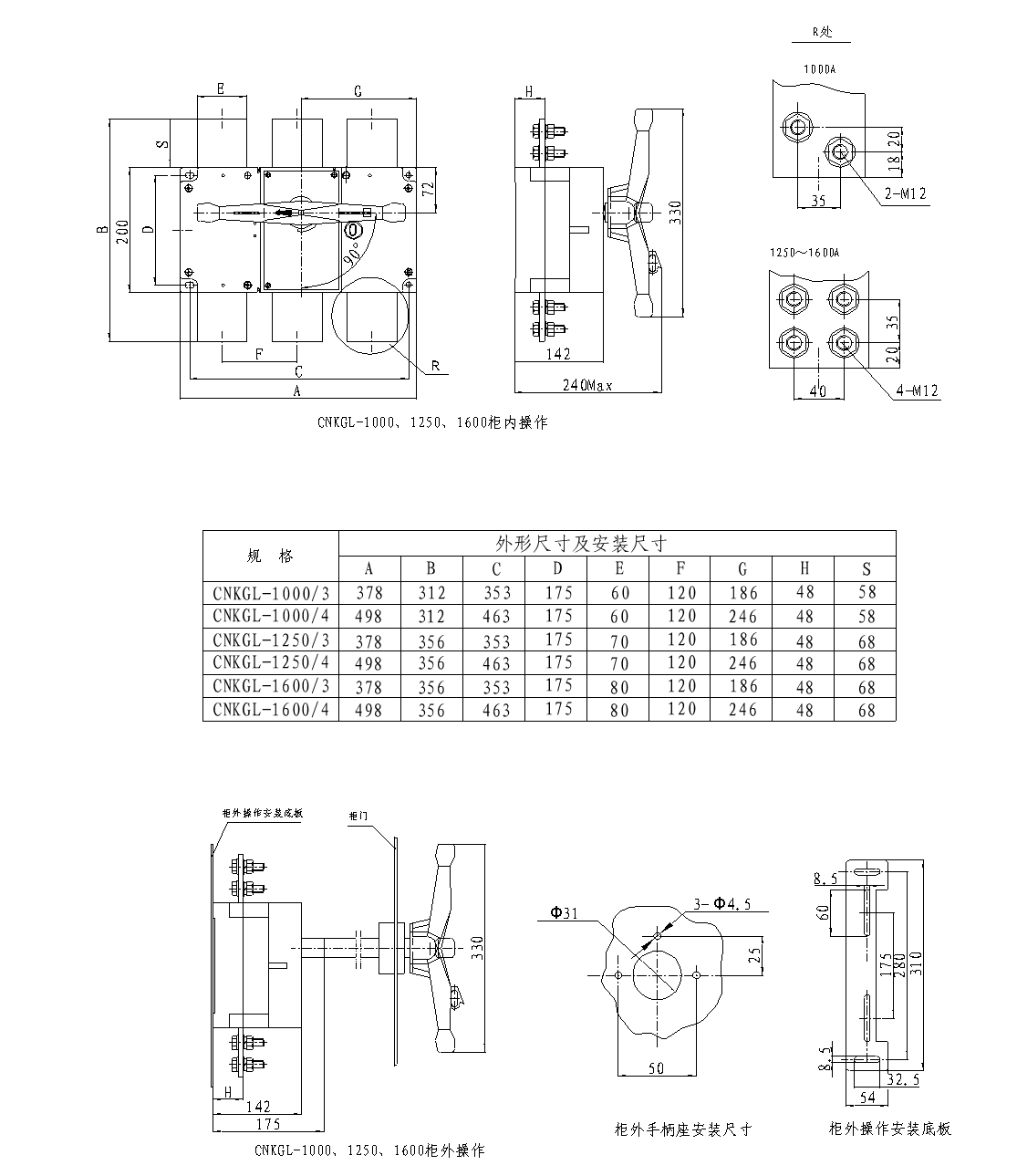
CNKCL系列隔离开关具有多种结构和操作方式,有直接操作、柜外操作、侧面操作、柜后操作、板后接线及两台开关的 转换操作,适合用户不同需要。
开关符合GB/T14048.3、IEC60947-3标准。通过"CCC"产品认证。
产品特点
CNKGL系列隔离开关采用??榛杓?,运用弹簧储能、瞬时释放加速关合机构及并联双断点的触头结构,极大的提高了产品的机械性能与电气性能。
采用玻璃纤维增强不饱和聚脂制造的外壳,具有较高的介电性能、防护能力可靠确保操作安全性。
开关的操作方式多样,手柄可安装在开关上直接操作(简称柜内操作), 也可安装在配电柜柜门外进行柜外操作。加长轴用于柜外操作,可配置辅助触点。
产品详情
主要技术指标
型号及其含义

外形及安装尺寸










