HR5系列熔断器式隔离开关,额定电压至交流380V,额定电流至 630A,适用于有高短路电流的配电电路和电动机电路中,作为手动不频繁操作的开关、隔离开关和应急开关,并作电路?;ぶ?,但一般不适用直接开关单台电动机。
本系列开关由三极底座、带嵌入式灭弧罩的上插座、下插座和可拆卸的盖组成,盖兼作手柄并在其背面卡装熔断体。更换熔断体时可将盖 从底座上卸下,以防触及带电部件。底座两侧的片状弹簧使开关具有快 速分、合功能。
Series HR5 fuse-switch-disconnector with rated voltage up to 50Hz 380V and rated current up to 630A is applicable to the distribution circuit and motor circuits with high short-circuit currents as the power switch, switch-disconnector and emergency switch for protection purpose Generally it is not suitable for directly operating a single motor. HR5 fuse- switch-disconnector is composed of a triple-pole base, upper socket set with built-in arc chute, lower socket set and removable cover. The cover also functions as a handle and the fuse-links are fitted to its back. When replacing fuse-link, the cover can be removed from the base to avoid touching to live parts. The sheet springs on both sides of the base equip the switch with fast making breaking function.
产品详情
主要技术指标

型号及其含义
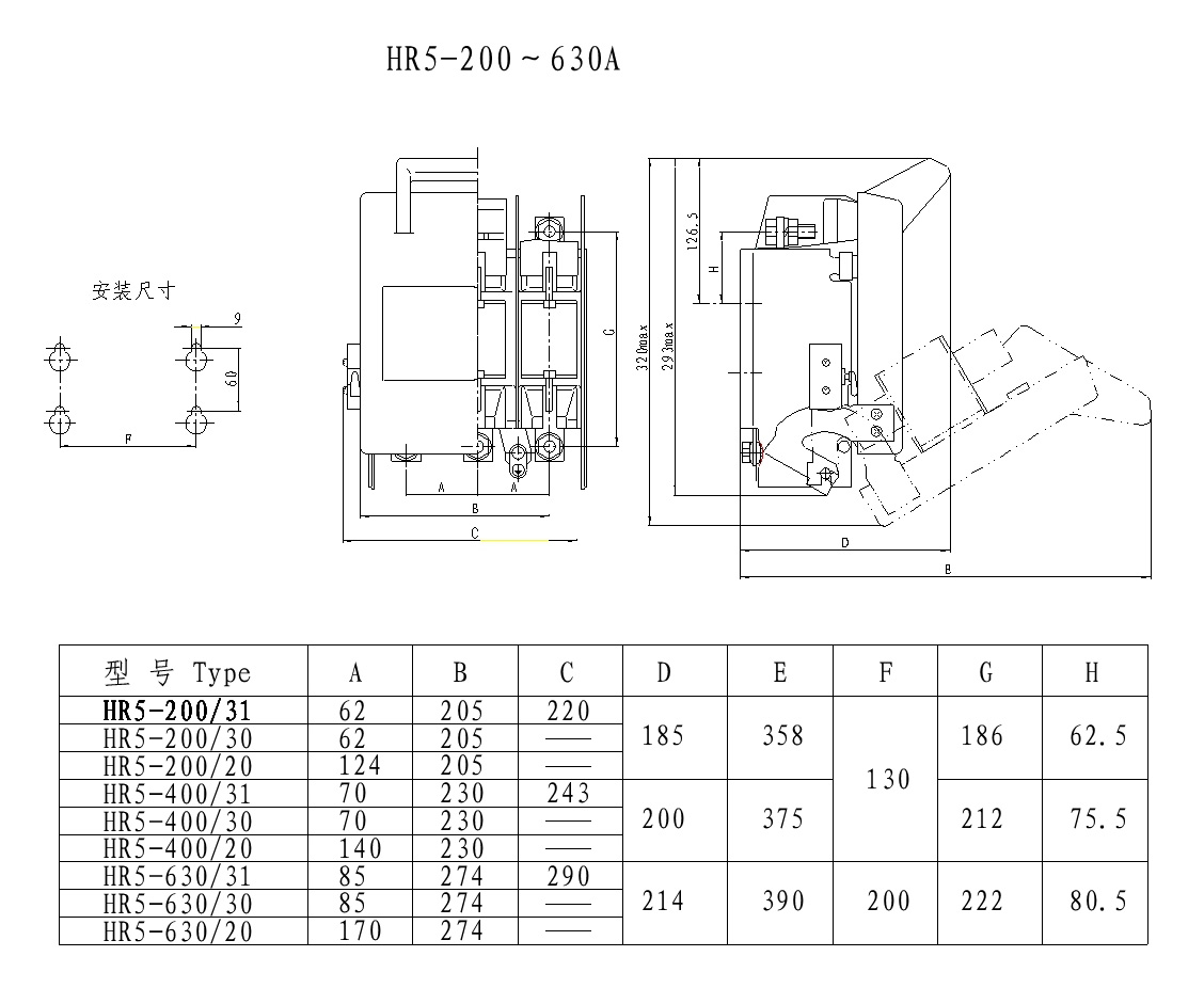
外形及安装尺寸

